您好!欢迎光临扬州流遍润滑机械设备有限公司,我们竭诚为您服务!
加入收藏
|
在线客服
|
在线留言
|
联系我们
|
网站地图
专注润滑设备
研发
与
制造
打造润滑系统
行业品牌
服务咨询热线:
18936226611
网站首页
关于我们
产品中心
抵抗式集中稀油润滑系统
定量加压式集中稀油润滑系统
定量加压式集中油脂润滑系统
递进式集中稀油润滑系统
递进式集中油脂润滑系统
单线递进分配器
双线集中润滑系统
油气润滑系统
汽车底盘润滑装置
工程机械润滑
风电润滑系统
节流式集中稀油/油脂润滑系统
加油泵及工具
液压站
多点润滑泵
齿轮泵组
附件
企业荣誉
系统示图
服务中心
新闻动态
行业新闻
企业新闻
产品知识
常见问题
在线留言
联系我们
搜索关键词:
抵抗式集中稀油润滑系统
定量加压式集中稀油润滑系统
定量加压式集中油脂润滑系统
递进式集中稀油润滑系统
递进式集中油脂润滑系统
单线递进分配器
当前位置:
主页
>
产品中心
>
单线递进分配器
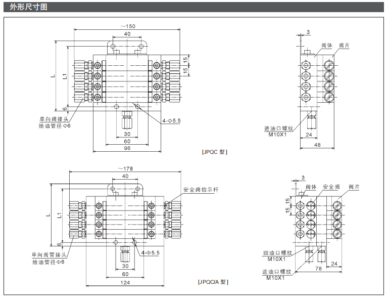
插装式递进分配器JPQC型
产品分类: 单线递进分配器
订购热线:
18936226611
立即咨询
产品详情
采购:插装式递进分配器JPQC型
*
表示必填
*
联系人:
*
手机号码:
电子邮件:
*
采购意向描述:
请填写
采购
的产品数量和产品描述,方便我们进行统一备货。
推荐产品
双线分配器SSPQ-P型
双线分配器DSPQ-L型
手动油脂润滑泵(干油站)SGZ型
液压换向阀YHF-N型
产品中心
抵抗式集中稀油润滑系统
定量加压式集中稀油润滑系统
定量加压式集中油脂润滑系统
递进式集中稀油润滑系统
递进式集中油脂润滑系统
单线递进分配器
双线集中润滑系统
油气润滑系统
汽车底盘润滑装置
工程机械润滑
风电润滑系统
节流式集中稀油/油脂润滑系统
加油泵及工具
液压站
多点润滑泵
齿轮泵组
附件
联系我们
扬州流遍润滑机械设备有限公司
客服QQ:
0514-82960365
服务热线:
18936226611
售后服务:
18936226611
电子邮件:
yzliubian@126.com
公司地址:
扬州市邗江区银河路64号(银河商业街)13室
网站首页
|
关于我们
|
产品中心
|
企业荣誉
|
系统示图
|
服务中心
|
新闻动态
|
在线留言
|
联系我们